ГоловнаКаталог фрезДверні комплекти

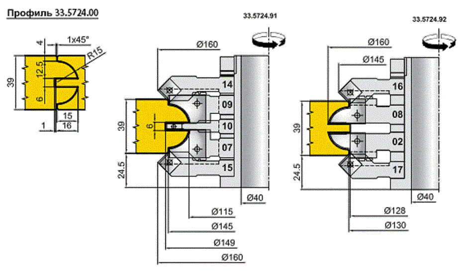
Комплект фрез для профілювання стояків та перемичок дверних полотен (33.5724.00)

Иберус Киев
Рис.1 Комплект фрез для профілювання стояків та перемичок дверних полотен (33.5724.00)




+38 (095) 280-31-41 +38 (067) 714-40-13 +38 (044) 482-47-61

Ми в Instagram 

Україна, 04080 м. Київ, вул. Кирилівська, 51-А